Контакторы ТКПД-114 400А, производимые на Заводе Электроконтактор, предназначаются для коммутации электроцепей тока постоянного.
В режиме номинальном контактор работает с постоянным включением.
Данные контакторы изготавливаются лишь для проводов переднего присоединения. Контакты контактора Ткпд 114 выполненными медными, взаимозаменяемые с контактами контакторов Ткпд 114 других заводов производителей.
Технические характеристики
• Напряжение номинальное – 220В;
• Страна производитель – Россия;
• При 20С сопротивление – 143Ом;
• Ток номинальный – 400А;
• Количество витков – 6840;
• Главных контактов количество – 1з;
• Номинально напряжение катушки – 75В;
• Марка провода катушки – ПЭВ-1;
Условное обозначение
ТК – тяговый контактор;
П – ток постоянный;
Д – величина контактора;
1 – серия устройства;
1 – главные контакты, количество;
4 – ток номинальный, равен 400А;
В – исполнение конструктивное;
УЗ – категория размещения;
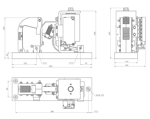
Размер

УСТРОЙСТВО КОНТАКТОРА ТКПД 114 400А
Контактор имеет ярмо, которое состоит из прикрепленными планкой и сердечником угольника. При помощи планки контактор закрепляется на место установки.
Сердечник ярма держит втягивающую катушку, на угольнике закреплен при помощи скобы якорь.
К якорю прикреплена колодка изоляционная, которая несет главный подвижной контакт.
Главный неподвижный контакт вместе с дугогасительной системой собирается на изоляционном основании, закрепленной в свою очередь к угольнику ярма.
Дугогасительная система представлена дугогасительными полюсами и катушки.











