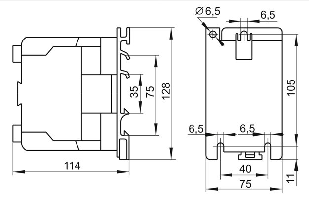
Пускатель ПМЛ 4100 50А
Пускатели ПМЛ 4100 применяются практически везде: на крупных индустриальных объектах, в строительстве, на энергоемких хозяйствах.
Пускатели необходимы для запуска и остановки мощной электротехники.
Пускатель ПМЛ 4100 – это механизм исполнительный, который представляет собой пакет быстродействующих переключателей. Прямое назначение пускателя – удаленное распределение тока до 50А.
Пускатель ПМЛ 4100 классифицируется, как пускатель 4 величины. Это значит, что все детали устройства рассчитаны на то, что могут выдерживать максимальную нагрузку в 50А.

ТЕХНИЧЕСКИЕ ХАРАКТЕРИСТИКИ ПУСКАТЕЛЯ ПМЛ 4100
• Ток допустимый – In 50А;
• Малогабаритный – да;
• Категория размещения – УХЛ4;
• Большая коммутирующая способность – да;
• Запас прочности, крайне долговечный – да;
• Напряжение рабочее – 380В;
• Защищенные от случайных соприкосновений клеммы – да;
• Дополнительные контакты – 1з+1р;
• Трудозатраты на монтаж – минимальные;
• Защита – IP20;
• Износостойкость – 1,0 млн циклов;
• Крепление – винты, дин рейка;
• Ток номинальный - 50А;











