Реле максимального тока (максимальное токовое реле) РЭО ГОСТО401 без блок-контакта предназначено для защиты от перегрузок и токов короткого замыкания электродвигателей постоянного тока и асинхронных электродвигателей с фазным ротором переменного тока при частоте сети 50Гц.
Основные характеристики реле тока РЭО:
- предназначены для работы в условиях вибраций и ударных сотрясений с частотой до 25Гц при ускорении не более 0,7g;
- крепление - на вертикальной плоскости с допустимым отклонением не более 5° в любую сторону;
- могут быть установлены как на металлической, так и на изоляционной плите или рейке.
Реле РЭО применяется для защиты электродвигателей от повреждения при резком возрастании величины тока, при большой перегрузке: резкое включение, короткое замыкание.
Технические характеристики реле РЭО ГОСТО-401:
|
Наименование параметра
|
Значение
|
|
Номинальный ток втягивающей катушки
|
6А, 10А, 16А, 25А, 40А, 63А, 100А, 160А, 250А, 320А
|
|
Изоляция рассчитана на напряжение
|
до 500В
|
|
Ток, отключаемый контактами реле
|
не должен превышать 6А
|
|
Сечение медного провода (для присоединения к контактам реле)
|
до 1,5 мм2
|
|
Механическая износостойкость (при условии соблюдения правил эксплуатации)
|
10000 циклов
|
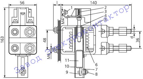
Внешний вид, габаритные и установочные размеры реле тока РЭО-ГОСТО-401:
Устройство реле РЭО:
- 1-винт,
- 2-пружина,
- 4-толкатель,
- 5-скоба магнитопровода,
- 6-втягивающая катушка,
- 7-скоба,
- 8-фиксирующий винт,
- 10-трубка,
- 11-якорь.













