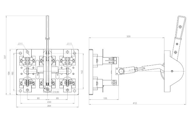
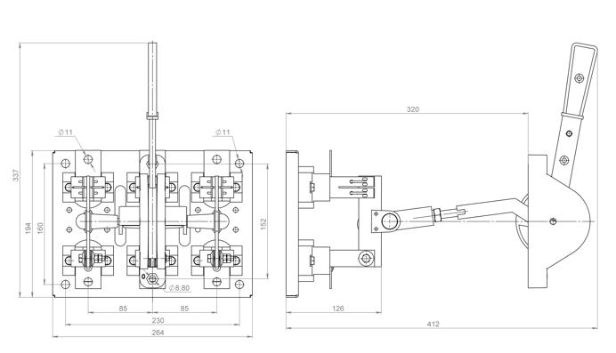
Рубильники РЦ 100А исполнения открытого, с ручными приводами зависимого дейсмтвия, трехполюсные, обладающие свойствами разъединителей, предназначаются для нечастых (не чаще 6 раз/час) неавтоматических коммутаций электроцепей тока переменного частотой 50 Гц и напряжением 380В.
Структура условного обозначения
РЦ 100А
- Р – рубильник;
- Ц – центральный привод;
- 100А – ток номинальный;
Технические характеристики
- Страна производитель – Россия;
- Производство – г. Челябинск, ООО Завод «Электроконтактор»;
- Силовых полюсов количество – 3 полюса;
- Ток номинальный – 100А;
- Частота тока – 50/60Гц;
- Ток – переменный;
- Рабочее номинальное напряжение тока переменного – 660В;
- Рабочее номинальное напряжение тока постоянного – 440В;
- Условный ток КЗ – 3кА;
- Напряжение изоляции – 660В;
- Крепление – на винты;
- Внешних проводников присоединение – переднее;
- Расположение рукоятки – переднее;
- Категория размещения – У3;
- Защита по IP – 00;
- Рабочие температуры – от +40 до -60С;
- Износостойкость механическая – 2500 циклов;
- Элемент управления – перекидной рычаг;
- Дополнительное оборудование – отсутствует;
- Вид рукоятки – центральная;
- Исполнение рукоятки – несъемная;
- Для монтажа в горизонтальной плоскости – подходит;
- Номинальный режим работы - продолжительный;
- Температура окружающего воздуха - от -45ºС до +40ºС;
- Высота установки рубильника над уровнем моря - не более 1000 м;
- Рабочее положение рубильника – вертикальное, допускается отклонение в сторону не более 5º;
- Категория использования рубильников по ГОСТ Р 50030.3 - АС-20В;












