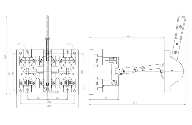
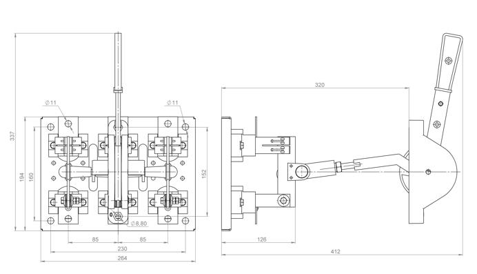
РЦ 400А
Рубильники РЦ трехполюсные, с приводом ручным действия зависимого, обладающие свойствами разъединителя, предназначаются для нечастых (не более 6 /час) неавтоматических коммутаций электроцепей тока переменного 50Гц частотой и напряжением до 380В.
Условия эксплуатации
• Высота над морем – не выше 2000 м.;
• Окружающая температура – от +40 до -45С;
Условное обозначение
Р – обозначение аппарата;
Ц – центральный;
4 – 400 А;
М – модернизированный;
У3 – категория размещения;
Технические характеристики
- Страна производитель – Россия;
- Категория товара – выключатель-разъединитель;
- Полюсов количество – 3;
- Ток номинальный – 400А;
- Частота сети – 50/60Гц;
- Рабочее номинальное напряжение тока переменного – 660В;
- Род тока – переменный;
- Производство – г. Челябинск, ООО Завод «Электроконтактор»;
- Рабочее номинальное напряжение тока постоянного – 440В;
- Напряжение номинальное изоляции – 660В;
- Крепление – на винты;
- Защита по IP – 00;
- Дополнительное оборудование – отсутствует;
- Внешних проводников присоединение – переднее;
- Рукоятки исполнение – несъемная;
- Привод моторный – отсутствует;
- Расположение рукоятки привода ручного – переднее;
- Категория размещения – У3;
- Тип управления – перекидной рычаг (рычажковый);
- Рукоятки вид – центральная;
- Номинальный режим работы - продолжительный
- Температура окружающего воздуха от -45ºС до +40ºС;
- Высота установки рубильника над уровнем моря - не более 1000 м;
- Рабочее положение рубильника – вертикальное, допускается отклонение в сторону не более 5º;
- Категория использования рубильников по ГОСТ Р 50030.3 - АС-20В













