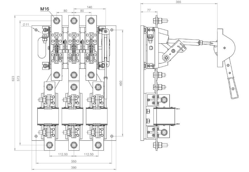
Рубильники РПС-10/1Л 1000А УЗ выпускаются в Челябинске на Заводе Электроконтактор. Это 3полюсные выключатели-разъединители номинальным током 1000А. на рубильнике установлена левая смещенная передняя рукоятка.
Токоведущие элементы рубильника выполнены из высокого качества электрической меди, контактная схема имеет видимый разрыв цепи и применяются плавкие вставки предохранителей ПН, ПН2.
РПС-10/1Л 1000А У3 являются рубильниками с предохранителями на стальной общей плите исполнения открытого. Трехполюсные, со смещенным ручным приводом для присоединения переднего проводников, предназначаются для нечастых коммутаций неавтоматических электроцепей тока переменного.
Технические характеристики
• Производство – г. Челябинск, ООО Завод Электроконтактор;
• Тип – предохранитель-разъединитель;
• Категория – выключатель-разъединитель;
• Частота тока – 50/60Гц;
• Ток – переменный;
• Полюсов количество – 3 полюса;
• Напряжение рабочее – 660В;
• Крепление – на винты;
• Защита по IP – 00;
• Категория размещения – У3;
• Привода рукоятка – расположение левое;
Условное обозначение РПС-10/1Л 1000А У3
• Р – рубильник;
• П – под предохранители;
• С – смещенный привод боковой;
• 10 – ток номинальный;
• 1 – длина вала;
• Л – привод боковой, рукоятка смещена влево;
• 1000 – ток номинальный;
• У3 – категория размещения;












