Крановый колодочный тормоз ТКГ-200 представляет сборное устройство из гидравлического электропривода и механической части.
Приводом служит гидротолкатель ТЭ-30, установленный на раму ТКГ-200.
Тормозные колодки высокого качества обеспечивают высокую износостойкость механического характера.
При установке тормозных механизмов данного типа необходимо выдерживать вертикальное положение устройства (с расположением оси тормозного шкива и основания крепления тормозного устройства в горизонтальной плоскости).
Маркировка и расшифровка ТКГ ГОСТО-200 У2:
ТКГ - тормоз колодочный гидравлический,
ГОСТО - торговая марка,
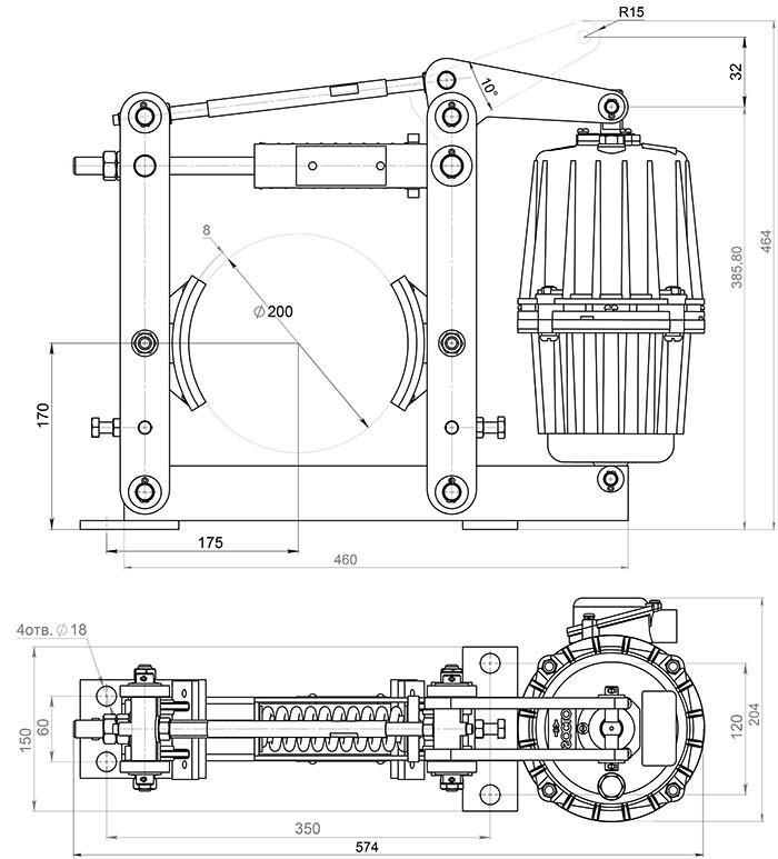
200 - диаметр тормозного шкива (мм),
У - тип климатического исполнения,
2 - категория размещения.
Технические характеристики ТКГ-200:
Наименование параметра |
Значение |
| Тормозной момент, Нм, не менее300 | 300 |
| Диаметр тормозного шкива, мм | 200 |
| Тип толкателя | ТЭ-30 |
| Номинальное напряжение, В | 380 |
| Частота, Гц | 50 |
| Среднее усилие на штоке толкателя, Н | 250 |
| Номинальная мощность двигателя, кВт | 0,25 |
| Ход штока толкателя, мм | 32 |
| Масса тормоза без привода, кг, не более | 18 |
Чертеж ТКГ-200:

Внимание:
Важно следить за состоянием и исправностью тормозных механизмов, поскольку от исправности тормоза зависит четкость, безопасность и безотказность работы крана. Надежность работы тормоза зависит от своевременного и правильного регулирования и обслуживания. В случае возникновения вопросов по регулировке тормоза, просьба запрашивать руководство по регулировке дополнительно!











