Максимальное токовое реле типа РЭО-401 предназначено для защиты от перегрузок и токов короткого замыкания электродвигателей постоянного тока и асинхронных электродвигателей с фазным ротором переменного тока при частоте сети 50 Гц.
Основные характеристики реле РЭО:
- предназначены для работы в условиях вибраций и ударных сотрясений с частотой до 25 Гц при ускорении не более 0,7 g;
- могут быть установлены как на металлической, так и на изоляционной плите или рейке;
- крепление необходимо производить на вертикальной плоскости с допустимым отклонением не более 5° в любую сторону.
Технические характеристики реле РЭО:
| Наименование параметра | Значение | 
|---|---|
| Номинальный ток втягивающей катушки | 6А, 10А, 16А, 25А, 40А, 63А, 100А, 160А, 250А, 320А | 
| Изоляция рассчитана на напряжение | до 500 В | 
| Ток, отключаемый контактами реле | не должен превышать 6 А | 
| Сечение медного провода (для присоединения к контактам реле) | до 1,5 мм2 | 
| Механическая износостойкость (при условии соблюдения правил эксплуатации) | 10000 циклов | 
| Номинальный ток, А | Пределы регулирования тока срабатывания электромагнита, А | Диаметр выводной шпильки d, мм | 
| 320 | 420 - 1280 | М12 | 
| 250 | 325 - 1000 | М12 | 
| 160 | 210 - 640 | М10 | 
| 100 | 130 - 400 | М8 | 
| 63 | 82 - 252 | М8 | 
| 40 | 52 - 160 | М6 | 
| 25 | 33 - 100 | М6 | 
| 16 | 21 - 64 | М6 | 
| 10 | 13 - 40 | М6 | 
| 6 | 8 - 24 | М6 | 
Устройство и принцип работы реле РЭО (габарит 1):
Реле РЭО-401 с гидравлическим торможением движения содержит обмотку управления (1), металлическую скобу (2), цилиндр с вязкой жидкостью (3), сердечник (4), контактную траверсу (5) и блок контактов (6).
При включении реле якорь втягивается внутрь катушки. Вязкая жидкость (масло) перетекает из одной части сосуда в другую, благодаря чему движение якоря реле замедляется. При подходе к верхнему положению - воздействует на контактную траверсу, размыкает контакты электрической блокировки и замыкает свободные нормально разомкнутые контакты.
Для сборки многополюсного реле РЭО401 в комплект поставки входит специальный кронштейн, обеспечивающий беспрепятственную установку реле на общей скобе.
Внешний вид, габаритные и установочные размеры реле РЭО-401 (габарит 1):
Реле РЭО ГОСТО-401 (габарит 2) состоит из нескольких электромагнитных систем реле и одного блок-контакта, собранных на общей скобе.
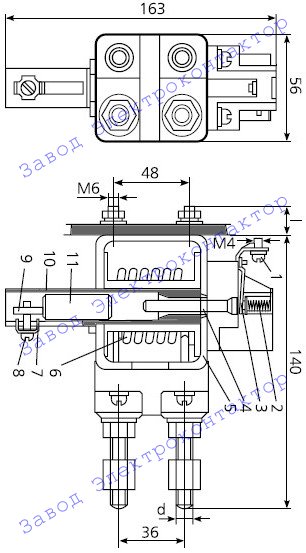
Устройство реле: винт (1), пружина (2), толкатель (4), скоба магнитопровода (5), втягивающая катушка (6), скоба (7), фиксирующий винт (8), трубка (10), якорь (11).
Внешний вид, габаритные и установочные размеры реле РЭО-ГОСТО-401 (габарит 2):







 
  

 
  



