Реле времени предназначены для использования в схемах защиты на переменном и постоянном оперативном токе в качестве вспомогательного элемента для получения регулируемой выдержки времени.
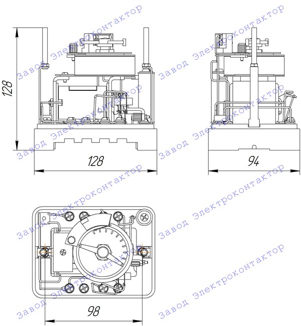
Механизм реле встроен в прямоугольный корпус, состоящий из цоколя и кожуха.
Технические характеристики реле РВ:
|
Реле
|
Схема
|
Количество контактов
|
Род тока
|
Время срабатывания
|
|
РВ-114
РВ-124
РВ-134
РВ-217
РВ-227
РВ-237
|
|
Один контакт (замыкающий), срабатывающий с выдержкой времени и один переключающий контакт мгновенного действия
|
Постоянный ток
|
1,3
|
|
3,5
|
||||
|
9
|
||||
|
Переменный ток
|
1,3
|
|||
|
3,5
|
||||
|
9
|
||||
|
РВ-112
РВ-115
РВ-125
РВ-128
РВ-132
РВ-135
РВ-215
РВ-218
РВ-225
РВ-228
РВ-235
РВ-238
|
![]() |
Два контакта (замыкающий и скользящий), срабатывающие с выдержкой времени и один переключающий контакт мгновенного действия
|
Постоянный ток
|
1,3
|
|
3,5
|
||||
|
9
|
||||
|
Переменный ток
|
1,3
|
|||
|
3,5
|
||||
|
9
|
||||
|
РВ-113
РВ-127
РВ-133
|
![]() |
Один контакт (замыкающий), срабатывающий с выдержкой времени и один переключающий контакт мгновенного действия, размыкающий контакт которого использован в цепи питания реле
|
Постоянный ток
|
1,3
|
|
3,5
|
||||
|
9
|
Внешний вид, габаритные, установочные и присоединительные размеры пускателей ПМЛ:













